Centrálna rekuperácia Heatpex aria vitale

Zaujímavá rekuperácia za 3000 eur v PL, u nás za 5000 eur. Rovnako ako aj s rekuperáciou Zehnder. Zaujimavá je hrubkou steny, kedy by mala byť veľmi dobre izolovaná od hluku. Nemalo by byť treba pri prvom spusteni technika, ako to je pri Atrea rekuperáciach. Má niekto skúsenosti? Zaujímalo by ma, či ma rovnotlakové vetranie. https://www.ventishop.cz/user/related... A tu pozerám, že ak má v názve CF ide o konštatný tok.
Odpovedať

Odpoveď na príspevok od radoslavc:

Zaujímavá rekuperácia za 3000 eur v PL, u nás za …
@radoslavc Zistil si, ako je to s tým tlačidlom Boost? Trošku som z toho jeleň... DIN1 a DIN2, že jedno je podtlakove a druhé pretlakové? DIN3,4 a 5 bez popisu... Trošku sa mi nepáčia tie filtre. Nie sú lacné (respektíve sú drahé), prídu mi malé (teda častejšia výmena) a neviem či je nejaká možnosť homemade filtra. S ModBusom na mňa nechoď, o to nemám záujem.
Odpovedať

Odpoveď na príspevok od frantisekca:

@radoslavc Zistil si, ako je to s tým tlačidlom …
@frantisekca bavime sa o heatpex?
Odpovedať

Odpoveď na príspevok od radoslavc:

@frantisekca bavime sa o heatpex?
@radoslavc Áno.
Odpovedať

Odpoveď na príspevok od radoslavc:

@frantisekca bavime sa o heatpex?
@radoslavc
Odpovedať
Stále neviem aku jednotku. Áno túto su drahe filtre, 200mm zbytočne rúry. Atria, na všetko treba technika, na blbé spustenie. Komfovent, nechcem rotačný výmenník. Tak že by už jedine brink? Tam je potrebné spustenie a zmeny robiť s technikom?
Odpovedať
@radoslavc A čo Hevolta AirChange 300 alebo 500? S podobnou cenou SENTINEL KINETIC B Plus. Z tých lacnejších Reventon Inspiro, WEBER STANDARD PLUS 400 atď...
Odpovedať
Alebo si kup komponenty ak si technicky zdatny, 1 arduino a sprav si jednotku za 600 ecok. Tuto kolega islk to riesil aj o tom pisal v jednej teme.
Odpovedať

Odpoveď na príspevok od frantisekca:

@radoslavc A čo Hevolta AirChange 300 alebo 500?…
@frantisekca ten hevolta, to je nieco nove na trhu? konstatny tok to asi nema, ovladanie?
Odpovedať

Odpoveď na príspevok od radoslavc:

Stále neviem aku jednotku. Áno túto su drahe filt…
@radoslavc komfovent cf
Odpovedať
Na základe preloženého poľského výkladu som si našiel, čo ten "konštantý tok" znamená. Stále som však neporozumel, prečo je vlastne táto funkcia "dodatočná". Ak som pochopil správne, senzory by mali snímať prietoky a zariadenie by malo odsávať a dodávať rovnaké množstvo vzduchu. Mal som zato, že toto je štadartnou "vymoženosťou" rekuperácií... Teraz zisťujem, že "asi" ani nie a každým dňom ho chcem menej :D Modbus/Canbus je vždy výhodou resp. preferenciou, ak je SmartHome vo vlastnej réžií.
Odpovedať

Odpoveď na príspevok od dwnldr:

Na základe preloženého poľského výkladu som si na…
@dwnldr preco ho chces menej? s akou jednotkou mas skusenosti na ten smarthome?
Odpovedať

Odpoveď na príspevok od radoslavc:

@dwnldr preco ho chces menej? s akou jednotkou ma…
@radoslavc Mieril som na "rekuperáciu" vôbec. V laickej domnienke som považoval rekuperáciu za viacmenej "jednoduché - hlúpe" , ktoré vzduch odsáva a privádza. Teraz zisťujem, že už je aj z nich konštrukčne XY verzií, zároveň aj "funkcia" odsávania a privádzania rovnakého množstva vzduchu je o výbave... Skúsenosti so SmartHome si dovolím tvrdiť mám obstojné (konkrétne s odvetvím IoT/smart asi 6rokov "dennodenne), avšak sa sústreďujem na vlastné resp. open-source riešenia. To znamená, čo dokážem "nejak pripojiť", tak to nejak dokážem aj ovládať :) Káblové pripojenie je vždy preferenciou a napriek tomu, že Modbus nie je v mojej obľube, tak je to stále protokol kde s dostatočnou dokumentáciou a popisom registrov máš obrovskú šancu úspechu na ovládanie :)
Odpovedať
Drvivá väčšina ľudí bude preferovať jednoduchú, spoľahlivú techniku, na ktorú okrem výmeny filtrov nebudú musieť siahať a bude fungovať k svojmu účelu, teda výmene vzduchu s rekuperáciou tepla. Bypass, Boost tlačidlo nutnosťou, čidlo CO2 bonus.
Odpovedať

Odpoveď na príspevok od frantisekca:

Drvivá väčšina ľudí bude preferovať jednoduchú, s…
@frantisekca ano, ktora je taka? nakoniec mi fakt najlepsie vychadza comfovent protiprud, nakolko ten rotacny vymennik to je hniezdiste bakterii a pachov, kedze vzduch sa tam premiesava... uplne nelogicke fungovanie. Podobne ako entalpicky vymennik, vodu prepusti, ale virusy a bakterie, ktore su nasobne mensie nie. Ale tak dnes ludia neuvazuju, tak oblbovat sa da aj takto.
Odpovedať
@radoslavc Entalpický som zavrhol kôli jeho životnosti, aj keď tie papierové sú lacné (cenu samotného náhradného vymennika nepoznám). Rotačný taktiež nechcem. A doskový, protiprúdy výmenník je u mňa na 1. mieste, aj keď ma nevýhodu, že môže zamŕzať (to rieši špirála). Tipy som ti dával, aj v minulej téme. Ja som sa rozhodol, že cenovka 1600€ je dostatočná na také zariadenie. Ešte presný typ neviem, není som v tom "utopený", keďže to budem riešiť až niekedy koncom augusta. Ale aspoň som si ujasnil, čo požadujem ako nutnú súčasť a v akej cenovej relácii. Zbytočné fičury nepotrebujem, nemienim platiť za niečo, čo by som využil akurát tak pri prvom spustení a chvastal sa ako sa mi to zobrazuje na mobile... Ešte pozri Atrea Duplex 300 Easy, tá má cenovku ktorá spadá do môjho výberu.
Odpovedať

Odpoveď na príspevok od frantisekca:

@radoslavc Entalpický som zavrhol kôli jeho živo…
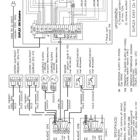
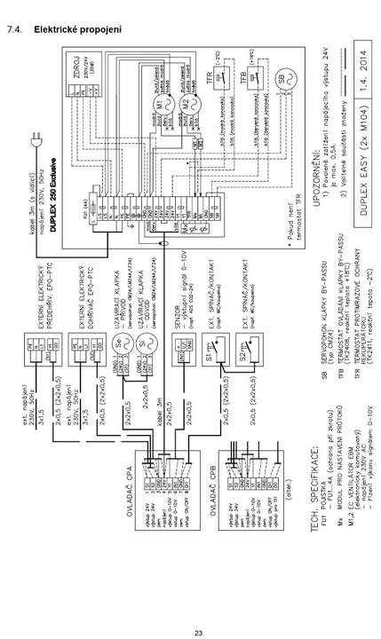
@frantisekca pri atrey je problem, ze ti to musi spustit ich technik, kazdu zmenu urobit, to mas niekolko stovak EUR navyse. Inak by som Atreu bral, ale toto ma odradilo. Kupim si zariadenie a nemozem s nim nic robit....
Odpovedať
Článok sa načítava...

Odpoveď na príspevok od radoslavc:

@frantisekca pri atrey je problem, ze ti to musi …
@radoslavc Ja píšem o DUPLEX 300 Easy A161901. Je to staršia generácia. Filtre sú z tkaniny v rámčeku atď... Návod je podrobný, technika k spusteniu netreba (nikde není napísané, že zariadenie musí spustiť jejich, alebo preškolený) technik a není k tomu potreba ani žiadneho extra prístroja, s nejakým rozhraním. Akurát opravy majú vyhradené, čo je pochopiteľné. Dokonca sa dajú oba ventilátory konfigurovať samostatne, takže sa dá urobiť aj mierne pretlakové (podtlakové) vetranie.
Odpovedať

Odpoveď na príspevok od frantisekca:

@radoslavc Ja píšem o DUPLEX 300 Easy A161901. J…
@frantisekca len to ma slabsi prietok, i ked je to male. Nieco s vacsim prietokom? preco zrovna tento model, pozeram ze sa neda uz nikde kupit...
Odpovedať

Odpoveď na príspevok od radoslavc:

@frantisekca len to ma slabsi prietok, i ked je t…
@radoslavc Slabý prietok? Aký máš dom? Koľko osôb, aký zastavaný objem? Ber to zas aj tak, že keď je neprimerane silná rekuperácia, tak na nižšom výkone má väčšiu spotrebu W/m³... Sú od toho aj grafy. Mať pri rovnakom prietoku a tlakovej strate spotrebu väčšiu napr. o 30W je už pomerne dosť cítiť na spotrebe, keďže rekuperácia je spotrebič, ktorý ide nonstop... A koľko vzduchu je potrebné určujú normy, respektíve, sú doporučené hodnoty (o niečo vyššie, než je norma), takže aj podľa toho sa orientovať. Kúpiť sa dá priamo u výrobcu a ešte za naj cenu... Odkiaľ máš, že tu reku musí spustiť technik Atrea? Lebo nič také tam pri nej není uvedené....
Odpovedať
chlapi no co aj ste kupili nieco? tiez sa rozhodujem a mam podobny vyber zatial
Odpovedať
1
Na pridanie príspevku sa musíte prihlásiť.
Presunutím fotiek môžete zmeniť ich poradie

Nenašli ste čo ste hľadali?