Ako kotvit zabradlie francuzskeho okna cez 200ku eps ?

Profilova fotka
Ahojte, prosim poradte, uz ma z toho boli hlava ... ako ste riesili ukotvenie zabradlia na francuzkom okne cez zateplenie ? napadaju ma moznosti: - zavitnica v chemickej kotve (jednoduche, ale riziko tepelneho mostu), tiez si niesom isty ci to bude vertikalne v EPS dost pevne - fisher thermax to ma len do 180mm (ja mam 200) - dreveny hranol uchyteny ocelovymi L-kami ? - dosteba .... ale cena za kus cez 2000kc hmmm ...
Odpovedať
To zaujíma aj mňa ... tiež budem riešiť to isté a hľadám vhodné riešenie.EPS bude 20cm ale zábradlie bude vychádzať z boku t.zn asi v 12cm EPS /ešte nemám zateplené/ .Ten hranol teda 2 zvislé dubové hranoly 10x15cm po boku francúzkeho okna tiež zvažujem , že by som ich ukotvil závitnicami ale bol by celý pod fasádou ešte 5cm a v ňom by boli ukotvené 5 antikorových tyčí .Bojím sa však či nebude hniť keďže tam je rosný bod.Tak tiež počkám na nápady. :-)
Odpovedať
@banjo1 pokial nemas zateplene, daj na urcene miesto zavitove tyce v dostatocnej dlzke a potom v ramci zateplenia vloz (nastrc cez tie tyce) na urcene miesta xps v potrebnej sirke ( pas, stvorec...podla potreby). Najjednoduchsi funkcny system. A na tieto bodove tepelne mosty sa vykaslite, viacej tepla vypustis otvaranim dveri, garaze:)
Odpovedať
Profilova fotka
@kloc robil si to tak ? udrzi to zabradlie aj ked sa tam oprie dospely chlap ? smer von asi udrzi kotva tej verim ale smerom dolu ? nebude sa "heglat" ?
Odpovedať
pred zateplenim treba nachystat zavitovu tyc do chemickej kotvy, niekto bude mat problem s tym ze to bude tepelny most ale lepsie riesenie nepoznam, bezne sme to tak robili, pri zateplovani sme vopred urobili predpripravu jak na zabradlia tak aj pristresky a pod... este odporucim aby majstri pred sietkovanim na zavitovu tyc nasrobovali matku a potom dali dostatocne velku podlozku na uroven polystyrenu a az potom sietkovali a urobili fasadu, vdaka tej matke a podlozke si pri naslednom nasunuti zabradlia alebo krovu na pristresok a naslednom dotahovani zaistite aby sa to nezarezalo do polystyrenu...
Odpovedať
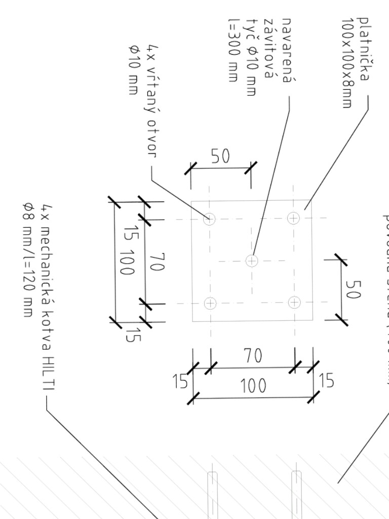
@portianko Ja som navaril v podstate zavitove tyce na pasovinu a tu som priskrutkoval na fasadu. Na pasovinu som to dal preto aby som ako tak zabezpeci rovnaku roztec a kolkost, lebo zabradlie chemna tie tyce napichut.
Odpovedať
Profilova fotka
.
Odpovedať
Profilova fotka

Odpovedať
Profilova fotka
Takto som to robil ja, len som to trošku predimenzoval. Tiež do 20cm EPS
Odpovedať
@portianko nemusis robit v dielni pokusy, ked je na to origo riesenie, nemecka firma Dosteba to ma premakane, pozri si viac na dosteba.cz alebo video tu: http://youtu.be/QBNR4chVrwk
Odpovedať
@portianko mam takto ukotvene tramy ( pomurnice) na prestreseni terasy v dlzke cca 12 m, zatial to drzi, su na nich ulozene krokvy (11 ks) a nevidim, zeby sa to akokolvek hybalo. Tyce su na 50 cm od seba, kotvene cca 15 cm v murive na chemicku kotvu a kovove sitko.
Odpovedať
Profilova fotka
@stowasser jj DOSTEBA je jedno z rieseni co som spominal, len nikde u nas nieje zohnat a nieje to lacne ... este mozno skusim par predajni ..
Odpovedať
@portianko ja som povodne uvazovane francuzske okna nakoniec vyriesil takto - dolna cast je fix, kvoli detom sa nam to zdalo bezpecnejsie
Odpovedať
Profilova fotka
@stowasser no okna uz nevymenim, ale zaujimavy napad ;-)
Odpovedať
trochu nepraktické pri umývaní, ale inak nápad zaujímavý :-)
Odpovedať
@kloc celkom ma zaujal tvoj systém. Riešim teraz niečo podobné. Pomurnice ukotvene cez 25cm XPS. Malo by to držať prístrešok 12m dlhý a 3m široký. Aký XPS si použil? Rozmýšľam nad Ravatherm 700kPa. Nebude sa XPS pod tou váhou strechy deformovať? Sorry za malé odbocenie od témy. @thorin
Odpovedať
Profilova fotka
@portianko Stal som pred rovnakym problemom, 4 francuzske balkony v izolacii hrubej 300 mm. Na obvodove murivo some pripevnil 120 mmhrubu dosku phonotherm pomocou nerezovych skrutiek a polym. lepidla. Na samotne dosky some priskrutkoval nerezovu platnu na ktorej me privareny l profile a v mom samotna zavitova tyc pre zabradlie. Samozrejme ako lacnejsia varianta postaci pozinkovana ocel
Odpovedať
Článok sa načítava...
@monster7843 ako som pisal, zatial vsetko drzi:) XPS bol xynthos, kPa netusim, ake ked som po nom stupal, ani sa nepohol. Pri 25 cm dlzke by som asi uvazoval aj nad hrubkou zavitovej tyce, kedze tyc bude namahana na strih, aby sa neohla. Nie som statik, skus sa poradit s nejakym. Alebo pomurnicu podopri opornymi stlpami, opretymi o mur, a prenes strihove zatazenie dolu do podlahy.
Odpovedať
@kloc už ma napadlo aj toto riešenie s podopretim, ale ak by bola iná možnosť, chcel by som sa tomu vyhnúť. Skúsim toho statika.
Odpovedať
Diskusia pokračuje po 1 roku
Profilova fotka
Chcem sa len spýtať či nemáte niečo nové k tejto téme. Čaká ma 30 metrov zábradlia, ktoré bude montované na terasu so zateplením 15cm. Riešenie s ponothermom sa mi celkom páči.
Odpovedať
Diskusia pokračuje po 3 rokoch
https://www.facebook.com/teplakonzola/
Odpovedať
1
Na pridanie príspevku sa musíte prihlásiť.
Presunutím fotiek môžete zmeniť ich poradie

Nenašli ste čo ste hľadali?