Mal by som este nieco zmenit kym mi to nekreslia?

Zobraz úvodný príspevok
Profilova fotka
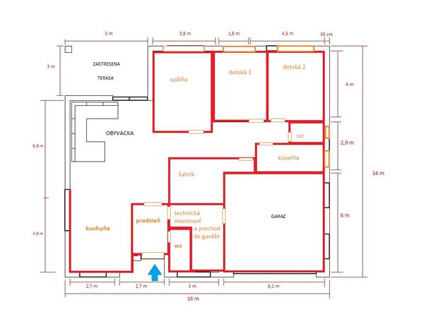
ahoj. navrhol som si projekt a chcem sa opytat co by som mal este upravit a comu sa vyvarovat? dakujem za kazdu radu.
Odpovedať
Profilova fotka
Ja v garazi vystroj mat nebudem;-)
Odpovedať
@pipulkoo no.. my mame 2 hokejove + jednu brankarsku :-D Budes to mat v garazi :-N Ten cerveny projekt vyssie sa dobre podoba tvojmu. Odporucam ti do mobilu stiahnut houzz.
Odpovedať
Profilova fotka
@snowy66 Dom je otoceny tak ako sa mapy kreslia. Hore je sever. Medzi spalnou a detskou mam satnik aby deti nepoculi co sa deje v spalni. Druha detska je vpredu,aby aspom v jednej bolo svetlejsie.zatial planujeme jedno dieta.a ked budu aj dve,obe budu v jednej.ja som bol so sestrou sam 14 rokov a mali sme tri detske a aj tak sme boli len v jednej.aj sme spavali spolu.deti su radsej spolu ako oddelene. Ziadne situovanie na teplejsie strany ma nezaujima,lebo teplo neznasam. Pri mori ano,ale v dome nie. Obyvacka je podla mna v pohode. Svagor ma mensiu,ujkovi som minuly rok dostaval dom a mal obyvacku s jedalnou a kuchynou dokopi 9,5 metra a sirku len 3,8 metra a je to male.no maju velky stol so 6 stolickami,co ja mat nebudem a obyvacku mam o vela vacsiu.kupelnu mam tiez vacsiu ako je tu nakreslena a aj zadverie mam momentalne od projektanta zvacsene na 1,8 metra co je na tom projekte zle? Mne to skoro cele vyhovuje.az na to ze to wc sa mi na vstupnej chodbe nelubi,ale je to miesto ktore neviem inak vyuzit a wc chcem s oknom. Strasne vela projektov v katalogoch je takto riesenych. Nevidim na tom az take zle nic. Kazdy by hned cely projekt menil.keby chcem vsetko inac,tak to nenakreslim takto.mam doma 12 katalogov a nic sa mi nepacilo. Popri svojej robote chodim na fusky a postavil som uz 6 domov a iba jeden mi zatial vyhovoval a vyzeral podobne ako tento moj,no mal len jednogaraz a bol uzky a dlhy.no ja mam len 27 metrov dlhy pozemok a 36 siroky,tak aj dom chcem siroky a kratky.pred dom plac na auta a za dom do kuta pristresok kde si budeme so susedom cez plot strngat cez vikendy:-)
Odpovedať
Profilova fotka
@snowy66 ty co tu trepes? Asi ked som si dal velku technicku,tak chcem velku technicku. A ano mam tam co dat.preto na tolko stvorcov kolko ma. A ked raz chce taku linku aku chce,tak nebudem stavat 5 metrov siroku kuchynu. Asi som to tak chcel ked som to tak nakreslil. Ukaz mi tvoj projekt a mozme sa bavit.
Odpovedať
@jaruskatt Ty si to urobila este horsie ako @pipulkoo
Odpovedať
@pipulkoo no tak to som este nevidel ze podla kuchyne (mimochodom stylovo total out, snad na chatu este ako tak) co vybere gazdina ides robit projekt. Ty nemas co dat do technickej okrem kotla? A kam das pracku, susicku, vysavace, metly, mopy, handry, kose si spinavym pradlom, lavore, kyble? Ked chces mat elegantnu kupelnu a zvysne priestory , urob vsetkym tym haraburdom potrebnym v domacnosti miesto v technickej miestnosti. Vetranie oknom je ziaduce ak tam spravis umyvadlo, vylevku, nemusis si spinit sanitu upratovacim bordelom v kupelnach.
Odpovedať
Profilova fotka
@evica01 ja mam toho pomeraneho dost. V dome smw mali vsetko ovela mensie a teraz v byte ani nehovorim.vsetko polovicne proti tomu co mam navrhnute. Tak hadam to bude dobre. V technickej miestnosti budem mat aj hokejovu vystroj ktorej je pozehnane.len hokejova taska ma rozmer 130x60. Potom lyziarska vystroj... to vsetko bude mat miesto v technickej miestnosti. To bude sklad:-) teda dufam
Odpovedať
Profilova fotka
@evica01 vcera vecer som bol pre navrh projektu kde bola kuchyna 2,8 a zadverie 1,8. Skusim nieco vymyslet aby bola kuchyna siroka 3 metre. Doma mam teraz chodbu 1,2 metra a mam tam aj botnik na mieru ktory som robil a je postacujuci. No do noveho som to chcel rozsirit a gazdina tam chce nejaky gaucik,takze to bude muset byt vacsie.tych 1,8 metra by bolo fajn,no potom by bola kuchyna stale tych 2,8. Keby zoberem zo zadveria,tak roztiahnem kuchynu.potom by bola kuchyna 3 metre a zadverie 1,6 metra. Mohlo by byt?
Odpovedať
@pipulkoo tato ma sirku cca 300. Tvoja 270. Riadne rataj. Aj 30 cm sa ti zide ked budes potrebovat. Este daj svetove strany. Spajzu maj aspon s prieduchmi ked uz nie s oknami. Ak nemas pivnicu tak v spajzi bude cibula a zemiaky... sudok s kapustou... :-) Vo vstupnej chodbe nemas vesiaky. Sirka je 1,4? Ku stolu chcete len 4 stolicky? Pozri sa, ak vam vyhovuje takyto dom tak chod do toho ;-) Doma si pomeraj ako mas co a od toho sa odraz. Ja som merala este aj sirku naskladanych triciek v skrini, priemer najvacsieho a najmensieho hrnca, hrubku! obrazu, sirku vane a pod.
Odpovedať
Profilova fotka
Tuto kuchynu ma vybratu. Miesto sporaka a digestora tam bude okno a asi drez. Sporak s digestorom chcela do kuta, alebo na bok. To uz riesi projektant
Odpovedať
Profilova fotka
@evica01 ja som to kreslil v exceli kde som mal stvorceky nastavene aby som vedel merat. Kuchynu si vybrala gazdina a presne podla toho som prisposobil projekt. Garaz chcem taku aka je a spalnu chcela tiez taku. Povodne mala byt mensia. Tu spajzu a wc este riesim...
Odpovedať
hmmm mne sa to tiež moc nepáči :-/ - špajza sa mi zdá zbytočná... - detská vedľa vchodu a garáže tiež nič moc... tam by som radšej dala ten šatník alebo technickú miestnosť. tá je v strede bytu a bez vetrania. Skúsim to aspoň nejak prekresliť :) na tej istej ploche a aj s tou tvojou veľkou garážou ;-)
Odpovedať
Kde su tu svetove strany? Kuchyna mala, spajza bez prieduchov - nie. To ti staci potravinova skrina. Spalna obrovska - nie. Ak chces mat taku velku garaz tak maj. Ak memusi byt taka tak ju zmensi. Aj tak tam musis v zime prekurovat. Realne si zmeraj stol co mas doma. Odporucam kreslit na stvorcekovy papier. Ked sa budes inspirovat inymi projektami, alebo ked ti nakreslia ten tvoj... premeraj si v projekte postele, skrine alebo stoly... Niekedy nakreslia tieto veci male aby opticky zvacsili miestnosti.
Odpovedať
Profilova fotka
@pipulkoo v tej veľkej kúpeľni ale nemusíš, veď tam môžeš ísť aj po ine-))) @pipulkoo
Odpovedať
Profilova fotka
@pipulkoo volne stojacu vanu sme chceli aj my,ale obavame sa umyvania za nou...
Odpovedať
Profilova fotka
@bambula626 a zadverie mam uz zvacsene na 180
Odpovedať
Článok sa načítava...
Profilova fotka
@bambula626 vacsinou ked idem do hajzlika,tak vzdy ododveri vidim wc:-)
Odpovedať
Profilova fotka
@ferogal co mate vsetci s garazou? Uz sa jej neviem dockat.... co mam sedet so zenou cele dni v obyvacke? Staci ze s nou robim a spim:-D
Odpovedať
Profilova fotka
@pipulkoo neviem ci budes mat rekuperáciu alebo nie ale radšej by som mala okno v špajzy ako v takom malom wc, určite tam bude aj ventilátor... Predstav si, ze sedíš na wc a pride poštárka do zádveria na 10 minút a sa vykecava s manželkou a ty si uväznený-))) navyše to zväčší zádverie- zrkadlo, polica..vo veľkej kupelke pracku preč určite!! A ta moze byt pekná- volnestojace Vana pod oknom, Walk in sprchovy kút, ale wc vymeniť so sprchou, nech ho Odo dverí nevidiet..
Odpovedať
Profilova fotka
@bambula626 garaz chcem mat v dome.mal som to aj do teraz a chcem to zas. A skusim teda volaco pospekulovat s tym co si mi poradila.dakujem
Odpovedať
Profilova fotka
@snowy66 kuchynu neries.linku som nakreslil len preto aby bolo videt ze je to kuchyna. Jak si to zena rozmiestni,tak to bude.mne je to jedno. A v technickej nepotrebujem okno.na co by mi tam bolo? A je preto velka,lebo som tam nemal co ine dat....
Odpovedať
Profilova fotka
@jumt to wc som chcel mat s oknom.preto som ho tam dal. Vedel by si ho inak umiestnit?
Odpovedať
Profilova fotka
Nemôžeš mat garáž mimo domu s prepojením do domu?? Zbytočne zabije priestor. Ak musí byt tak ako je, potom by som určite nedala detskú medzi garáž a vstupnú chodbu, hluk atd. Namiesto tej detskej zväčšiť zádverie, premiestniť tam technickú, dať tam aj okienko, pracku!!! ( v kúpeľni bude rušiť spiacich), môžeš tam vetrať a susit prádlo..., z garáže dvere do technickej. Alebo z tej detskej urob poriadny šatník pri zvacsenom zadveri, botnik co mas hneď po ruke keď prídeš- kabáty, tašky, ruksaky, topánky, nazbiera sa vela. Ta technická nech je potom tam mala neoznačené miestnosť pri garazi ale aj s práčkou!! Tu technickú v srdci domu úplne zrušiť, nemá tam co hľadať. Špajzu vymeniť s wc a dať jej okienko, aby mala zmysel, mala by byt chladnejšia. Wc dať s prístupom z domu nie z chodby. Namiesto spálne detskú prepojenú s druhou cez spoločný šatník- nemusí byt stena, namiesto krytej terasy rodičovská spálňa so šatníkom. Terasudat pozdĺž obývačky a kuchyne s východom na ňu možným aj zo spálne ak chces. . Stol otočiť- viac miesta. Kuchyňu do U mam aj ja, robi sa v nej velmi prakticky, v strede mam akurát varič a všetko po ruke. Ale kľudne môžeš mat aj dve paralely s varnym ostrovom. Okno by som dala ale len dlhy obdĺžnik medzi pracovnu dosku a horné skrinky namiesto zásteny. Ostane ti výhľad, svetlo a neprídeš o miesto. Vyzeralo by to aj lepsie. Ak sa ti da môžeš si to zväčšiť o 1 m v spalnovych častiach a zarovnat. V srdci domu 4 stranny krb a nie technickú miestnosť s kľukatou chodbickou
Odpovedať
Profilova fotka
@stowasser a ja plynovy kotol nebudem mat,ale tepelne cerpadlo, velku akumulacku a bojler a dalsiu nadobu na vodu,lebo ani vodovod nemam,ale studnu
Odpovedať
Profilova fotka
@stowasser to som si len navrhol a dnes som bol za projektantom a tiez mal podobne narazky ako vy:-) samozrejme som si nechal poradit. Ako vravim,podorys som si len tak sam predbezne nacrtol aby som aspon nieco mal pre projektanta
Odpovedať
Profilova fotka
@jan45 ja mam dve auta a garaz bude aj pre mna,nie len pre auta ;-) mozno ze len pre mna a auta budu vonku pod pristreskom. Mam dost fusiek v garazi
Odpovedať
@jan45 velka garaz? evidentne je to garaz na dve atua, to je akurat velkost si myslim inak to co je? technicka miestnost vcsia ako kupelna? :-D :-D :-D
Odpovedať
@snowy66 vo vsetkom suhlasim az na to ze ja nevidim ziadne minus ze technicka nema okno v technickej bude kotol a na co by tam malo byt okno ked tam staci obycajna ziarovka. Okna treba do miestnosti kde sa zije a nie pre spotrebice. Ja tiez co nechapem naco je dobre wc pri dverach sedim v obyvacke a aby som isiel cez chodbu kde sa chodi v topankach na wcko to mi nedava logiku a v tej kuchyni chyba chladnicka pri takom velkom dome sa tam fakt nie je kde hybat a pri tom vstupna chodba mala ked sa tam da skrina tak nebude kadial ani chodit a to su tam este tie dvere do wc.
Odpovedať
@pipulkoo precenil si svoje schopnosti. Najvacsie minus vidim v tom ze technicka a spajza nema okno a ze je obyvackokuchyna mala a rozbita. Kuchyna v tvare U , horor a totalne out. Dalej, prilis vela mrtveho priestoru, chodbicky, zadverie male nevyhovujuce. Suhlasim s predrecnikmi, avsak hotovymi projektami by som sa neinspiroval, tie vedia este viac pokazit, o vkuse ani nehovorim. Poradim Ti - pokazil si dost aj zastresenou terasou (tehal minies rovnako, ak z toho urobis uceleny obdlznik). Mohol si ziskat vnutri viac priestoru na lepsiu dispoziciu. Detto vyklenok pri vchode. Vyklenok je vhodny tam, kde mas dve male miestnosti prekryvajuce sa a tym padom obom mozes dat okno, kde by to normalny okolnosti neslo, ale neviem ci mi rozumies, vobec nejde o nejaku estetiku.
Odpovedať
skus sa inspirovat nejakymi inymi projektami. Ja by som to asi pomenil ale ze uplne od zakladov, najma ta garaz..;)
Odpovedať
Na pridanie príspevku sa musíte prihlásiť.
Presunutím fotiek môžete zmeniť ich poradie

Nenašli ste čo ste hľadali?