Umiestnenie, šírka a spôsob pripojenia radiátorov

Zobraz úvodný príspevok
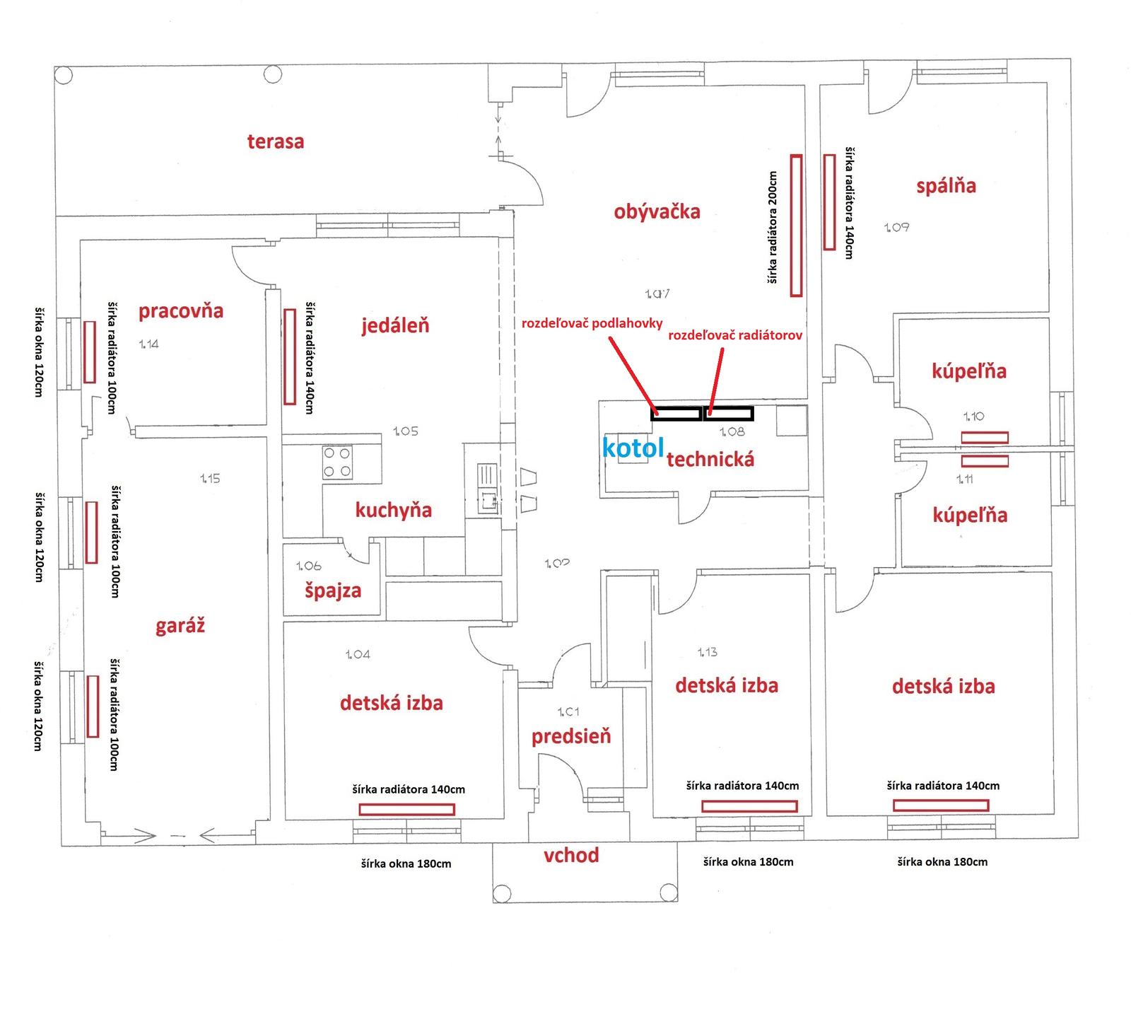
Zdravím Vás Strechári! Potrebujem poradiť ohľadom umiestnenia, šírky a spôsobu pripojenia radiátorov do môjho rodinného domu. Parametre radiátorov: - všetky radiátory sú 22VK, majú výšku 60cm, okrem kúpeľni tam je výska cca. 180cm a rebríkový radiátor. Otázky: - čo si myslíte o umiestnení radiátorov v jednotlivých izbách? - akú šírku radiátorov by Ste dávali v jednotlivých izbách hlavne pri podoknových radiátoroch? - aké spodné pripojenie by Ste si dávali na radiátory (ľavé alebo pravé spodné pripojenie VKL,VKP)? Stredové spodné pripojenie nepreferujem, kvôli cene radiátora. Je tam vyššia cena. Cenový rozdiel je cca. 30%. Ďakujem za odpovede.
Odpovedať
zita19 klobuk dole pred nazorom. @matto_wednesday Na to, ze staviate novy dom a riesite komplet kurenie s ludmi co maju len malinke osobne skusenosti idete velmi zlou cestou. Odporucam Vam- projektanta, ten prepocita miestnosti vzhladom k vela foktorom- hrubka mura, oblast kde sa dom nachadza, velkost miestnosti, izolacia zem/strecha, okna, velkost kotla a trasovanie rur atd. atd. Dobry kurenar Vam to na mieste este trochu upravi aby to bolo co najekonomickejsie, hlavne umiestnenie rozdelovaca alebo trasovanie rur... je toho vela co az realita odhali. Nadimenzovat prierez rur, vypocitat velkost kotla a radiatorov nie je sportka. Trochu riskujete s vlastnymi prostriedkami, Robite novy dom tak takuto dolezitu vec a hlavne drahu si nepokazte lahostajnostou. Aby ste to este neprerabal potom. To uz zaplatite ozaj majstra a pol domu rozbijete... Nepoviem doplnit jeden radiator to da aj laik, ale nove kurenie urobit na kolene je vyhodenie penazi hore kominom. Projekt Vam viem poslat za 150 eur. My ako kurenari spolupracujeme s vybornym projektantom.
Odpovedať
@josef_vavra Na radiátoroch nebudú termostatické hlavice som myslel tak, že všetky radiátory sa napoja na 10 okruhový rozdeľovač, na rozdeľovači budú termostatické ventily. Tieto ventily budú ovládané z nadriadeného riadiaceho systému. "To chcete opravdu topit jen krbem?" - kto povedal, že chcem kúriť len krbom? Bude v dome kondenzačný kotol + teplovodný krb bez akumulačnej nádrže (zatiaľ).
Odpovedať
@matto_wednesday to, ze tam bude aj kotol sme sa dozvedeli az nasledne. Na zaciatku o kotli nebolo ani Ň ;-)
Odpovedať
@petermu Viete mi vysvetliť čo je to zapojiť radiátor do protismeru?
Odpovedať
@matto_wednesday zacinam dostavat detaily... :) nakolko budete mat rozdelovac z neho pojde do kazdeho radiator 16x4 hlinikplast rura odporucam HERZ. Umiestnenie rozdelovaca dajte na chodbu, aj tak tam nemate radiator kresleny tak vam ho rozdelovac nahradi zo skrinky rozdelovaca bude pekne salat teplo. S tymi hlavicami co pisete velmi nesuhlasim. V skrinke su ventily ale tie budete mat zadeklovane a nonstop otvorene. Hlavicou na radiator si predsa nastavujete teplotu pre kazdu miestnost inu... nebudete hadam otvarat skrinku kazdy den. Nadriadeny system je predpokladam kotol. tam nastavite teplotu na 40-50 stupnov a valite. Inak cim vacsi radiator date tym mensiu teplotu mozete pustat do radiatorov, teda mensia teplota na ohrev = menej penazi. Cim mensi radiator tym musi byt radiator teplejsi lebo ma mensiu vyhrevnu plochu... teda vyssia teplota = viac penazi na spotrebu plynu... pre info a na zamyslenie... podlahovka na komplet stoji 15-20eur / m2 na komplet podla toho v akom kraji ste a aka velka firma to robi. ale kurite uz len 30 stupnovou vodou, teda menej spotrebovaneho plynu. Osobne vzdy klientom odporucam si nechat 2-3 radiatory, v zime clovek oceni na ohrev ponoziek, uteraku , alebo len ruk ked pride premrznuty z vonku :) nech sa dari
Odpovedať
@matto_wednesday ved som vam to nakreslil pane, je hadam ine ak voda tecie od kotla stale v jednom smere, v radiatori sa otoci a ide naspat do kotla ako ked radiator zapojite na protilahlu stranu od kotla voda sa v radiatori otoci v raditori smerok ku kotlu teda voda zmeni smer a ide naspat od kotla, Ako cerpadlo Vam to potiahne, aj ked si myslim, ze opacne zapojenych 11 radiatorov by nekurilo...to som si skoro isty. Stary majstri by nedostali ani vyucny list keby zapajali radiatory hala bala. UK na gravitaciu to boli ine casy, ale nieco z nich treba stale dodrziavat. Lebo kurenarcina je REMESLO.
Odpovedať
@zita19 Mám svojho kúrenára, mám aj projekt, len ma zaujíma Váš názor na tie napojenia. Môžete mi napísať pre jednotlivé miestnosti napojenia? Kúpeľňu neriešte, tam budú rebríkové radiátory, budú napájané jedna-druhá strana zvlášť. Ďakujem.
Odpovedať
@matto_wednesday kde bude rozdelovac, ja vam to popisem a zakreslim... v pohode
Odpovedať
@matto_wednesday kristova noho!!!! Nechaj to na kurenara. Ja ti nenapisem, ze tu pravy, tu lavy, lebo netusim ako su planovane rozvody. Privod sa dava na stranu od kotla. To ti musi stacit na to aby si skontroloval, ci to nemas napojene naopak.
Odpovedať
@zita19 :) mne to pride ako komunikacia s totalnym laikom resp. antitechnickym tipom cloveka, myslim to uplne bez urazky, ja zase neviem napr. malovat :) vsetci sme nejaki...preto sa tu o tom radime... ale rad uz bolo povedanych ozaj dost. Ked nerozumiete nechajte to ozaj na toho kurenara. To mate lepsie pane. 500 eur mozno priplatite ale mate to so zarukou, budete to mat urobne odborne s vedomostami a na dlhe roky.
Odpovedať
@petermu Stále nechápem zapojenie radiátora do protismeru? Tu je link na radiátory: http://www.usskorad.sk/typ-korad-VK.htm Na obrázku je vidno zapojenie radiátorov VKP a VKL. Zapojenie radiátora by malo byť: Prívodná strana radiátora - teplá voda OD kotla. Odvodná strana radiátora - studenšia voda DO kotla. Ako sa dá zapojiť radiátor do protismeru? Nadriadený systém nebude kotol, ale PLC. V každej miestnosti bude meraná teplota. V PLC bude nastavená teplota na koľko sa majú vykúriť miestnosti. Podľa toho bude otvárať a zatvárať nadriadený systém jednotlivé okruhy kúrenia pomocou ventilov na rozdeľovači.
Odpovedať
@matto_wednesday bavime sa o smere toku vody od kotla cez radiator a spat!!! vsak mi zavolajte... 0944 473 059
Odpovedať
Profilova fotka
@matto_wednesday Vy jste o KK nic nenapsal. Nejsem kouzelník, abych to věděl. Pokud tedy chcete kondenzační kotel, tak návrh otopné soustavy přizpůsobte jeho provozu tak, abyste dosáhl vysoké účinnosti a dlouhé životnosti. Je to jednoduché, když se ví jak na to. Rady zde jsou bohužel nepoužitelné. Zítra vysvětlím. pokud na ně autor do té doby nepřijde sám. Nicméně jsou to vaše peníze. Vy pak budete řešit problémy. Centrální řízení - inteligentní dům - mám ve více provedeních. Výborné na dálkový dohled i ovládání domu jako celku. Nicméně řešit tak i jednotlivé radiátory výhodné není. Termohlavice úkol splní stejně dobře.
Odpovedať
@petermu Môžete mi nakresliť Váš pohľad na vec.
Odpovedať
@josef_vavra Najväčší nedostatok termohlavíc vidím v tomto: Keď sú manuálne: nedajú sa nastaviť na diaľku, malé deti s tým budú cvičiť, atď. Keď sú digitálne: napájajú sa batériami, ktoré sa časom vybijú, treba sa starať o hlavice. Najlepšie riešenie je termostatický ventil na rozdeľovači ovládaný z riadiaceho systému. Nastavím ako chcem, nevybijú sa batérie. Nevýhoda je komplexnejšie riešenie vykurovacieho systému a nutnosť použitia rozdeľovača.
Odpovedať
Ja to vzdavam a koncim debatu ako ju koncim s mojim stvorrocnym vnukom: Lebo tak... tu nepomaha ani pisany text ani obrazky
Odpovedať
Článok sa načítava...
@matto_wednesday Ak si rozhodnutý ovládať radiátory v rozdeľovači, tak radiátory daj podľa toho, či si pravák (VKP), alebo ľavák (VKL). V prípade zmeny na termohlavice to budeš mať viac “po ruke”...
Odpovedať
kamarát má kúrenie s krbom, ako poistku proti prehriatiu má tam nejaký systém čo chladí vodou z vodovodu , ale toto mu navrhoval projektant, mal tam celé zapojenie. Na krb osobitná čerpadlovka
Odpovedať
@matto_wednesday zdarec.čitam tu tvoje pripevky a raz tu pises o kondenzacnm kotly,potom o teplovodnom krbe ,ako to vlastne chces riešit?Moja otazka je ,ako to chces cele regulovat a ovládat,hlavne krb bez akumulacky?Kde budes odovzdavat nadbytočne teplo?Radiatori budu musiet byt stále otvorené a mat dostatočný prietok.Začnes kurit v krbe,teplota v miestnosti začne stupat a ak ti to zacne prekurovat,budes vetrat?Stavias nový dom ,urcite s dobrým zateplením,vodníka by som urcite neriesil a ak hej tak s akumulackou.Tieto systémy vyžaduju vela hlavne bezpečnostných prvkov,dobre vyregulovanie,založné zdroje na čerpadlo,ochladzovanie vymeníka atd.Niesú to jednoduche systémy ako sa zdá.Treba aj vyratat dimenzie na pripojenie radiatorov,aby stihali dodané teplo od krbu aj odovzdat do miestnosti,aby sa celý sytém neprehrieval. dalsou vecou je pouzitie plast hliniku,kde udavaju teplotu vykur vody optimum 75st a kratkodobo 95st,aj toto budes musiet zaobstarat mixom+cerpadlo a +založny zdroj pri výpadku elektriny. Najlepsie urobis ked sa spojiš s nejakým projektantom a celý systém ti navrhne a doporučí ti naj riešenie podla tvojich predstáv.Možno po stretnutí a prerátaní financií upustíš od tohto riešenia robit v dome dva vykurovacie systémy. :-)
Odpovedať
ahoj @zita19. Volal som s tym panom. vies co bol kamen urazu? On sa stale pytal na to kde do radiatora so spodnym napojenim ide privod a kde spiatocka :) Vsak aj obrazok ukazoval takze stale je privod z vnutra . Zapojenie do protismeru sa mi nepodarilo objasnit. Vraj je to stale to iste. Chce to robit az na buduci rok, tak dovtedy este modru strechu zaplni diskusiami. Ja tuto tiez koncim. Neda su tu poradit :) inak doposial sa mi pacili zeny ktore su akcne a nebojacne na cestach. Ale teraz som sa takto 1x stretol s babou co rozumie kurenarcite, super. Je vas ako safranu :). ahoj
Odpovedať
@matto_wednesday tak, ja by som to zapojil takto. samozrejme realita by ukazala trasovanie trochu ine, ale taketo radiatory by som Vam odporucal kupit. Zapojit to uz kurenar vie, pre info, pri spodnom napojeni je privodna hadica vzdy ta ktore je blizsie ku stredu radiatora. Staci sa zhora na radiator pozriet medzi mriezky a tam uvidite ktora je privod, ak tomu teda clovek troche rozumie co hlada. Ak som neporadil, resp. nebolo to jasne sa ospravedlnujem, jasnejsie uz neviem - napisat, nakreslit a povedat v telephone :) ahojte vsetci, idem hladat ineho rady chtiveho cloviecika...
Odpovedať
@petermu dakujem za pochvalu. Od cloveka, ktory veci rozumie viac ako ja, lepsie informovany laik, si to obzvlast cenim
Odpovedať
@petermu Dobrý deň @petermu, ja som sa Vás nepýtal kde je prívod a spiatočka na radiátore, ja som Vám to hovoril. Ja som sa pýtal na protismer vody v radiátore, stále Ste mi to nevysvetlil. Nakreslite mi schematicky zapojenie radiátora do protismeru. Nakreslil som príklad zapojenia radiátora VKL a VKP. Môžete mi vysvetliť aký rozdiel vidíte medzi týmito zapojeniami? Prečo bude lepšie kúriť jedno ako druhé?
Odpovedať
@robo28w Všetko bude spravené.
Odpovedať
@matto_wednesday posledny moj prispevok,,, uz ma to stalo kopec casu... na obrazku mate v lavo dole nakreslene ze ked zamenite VKP s VKL nie je to to iste! Ak este stale nerozumiete, ja sa ospravedlnujem inak neviem vysvetlit. majte sa
Odpovedať
@robo28w Našiel som takúto tabuľku: Max. teplota: 95°C, krátkodobo 110°C.
Odpovedať
Zdravím Vás! Užívateľ @petermu sa mi snažil vysvetliť rozdiel medzi zapojením radiátorov na obrázku. Exaktne mi ale nevedel vysvetliť, prečo nie sú tieto pripojenia radiátorov ohľadne šírenia tepla (vykurovania) totožné. Prosím Vás skúste mi to niekto iný vysvetliť tromi vetami. Ale možno, že principiálne tam nebude žiadny rozdiel.
Odpovedať
@matto_wednesday exaktne sa to neda vysvetlit cloveku co nechape ani nakreslene. Ono aj takto zapojeny radiator bude fungovat, aj voda v nom bude cirkulovat (mozno niekto s docentúrou z hydrodynamiky by to vedel aj exaktne prepocita, ake su straty prietoku v potrubi) Ale kurna, naco? Vsak to sedliacky rozum da, na to netreba ani hydrodynamicke vypocty, tahat o tri, styri metre viac rur, ked to nie je potrebne. To je ten najhlavnejsi dovod, preco sa vymysleliu prave a lave napojenia, aby sa mohli pouzit v kazdom pripade aj bez skrabania cez hlavu. Priznaj sa chlape, ty si zbrklo poobjednaval vsetky lave alebo vsetky prave radiatory, tvoj kurenar ta s nimi poslal do prdele a ty sa tu pokusas ziskat argumenty aby si ho poslal tiez. Mas smolu, kurenar ma pravdu
Odpovedať
@zita19 Nie nemám kúpené radiátory, ešte ich min. 2 roky ani nekúpim. Jasne, že spravím tak aby to bolo čo najmenej potrubia. Zaujímavé, že kúrenár mi povedal aby som si dal všetky radiátory pravé a to sa mi nezdá. Preto sa pýtam tu, možno máte lepšie nápady.
Odpovedať
Na pridanie príspevku sa musíte prihlásiť.
Presunutím fotiek môžete zmeniť ich poradie

Nenašli ste čo ste hľadali?