Ťahanie elk. kábla pod zemou

Zobraz úvodný príspevok
Čaute, potreboval by som sa poradiť s ťahaním elk. kábla pod zemou. Vec sa ma takto: Predminulý rok sme na záhrade postavili Áltánok ktorý je cca 300m od domu, potreboval by som tam doviesť elektriku 3x250V kôli občasnému pileniu dreva, elektrika z baráku ide do garáže kde je ďalšia elk. skriňa V ktorej sú tiež tri fázy, a od garáže to potrebujem dostať do altánku popod zem. Viete mi poradiť aký kabel by som tam mal použiť? A ešte ako hlboko by som ho mal zakopat aspoň približne podľa normy. A aký rozvádzač mám použiť na konci toho kábla ak ho už na konci chcem vmurovat do sten? Ďakujem za radu.
Odpovedať
1
2
Profilova fotka
@gekaem_sro na RCD privediem L1,L2,L3 a N - TN-S , ak máš TN-C , L1,L2,L3 - PEN ,alebo si sprav TN-C-S ,aby to bolo podľa normy. výstup RCD L1,L2,L3 a PE-/PEN/ mimo RCD a tu už nezapájaš N1 , spoza RCD ku tomu motoru. Chranic treba zapojit tak ako sa zapaja a neprisposobovat ho motoru. To znamena ako sa pise vyssie vsetky fazy plus N cez prudovy a PE okolo. Ja si myslim, ze by bolo dobre upravit zapojenie motora ak sa da (v pripade starsich haraburd je to vzdy mozne :)). Teda odpojit konce vinuti od kostry, ak su spojene, pripojit ich na N a kostru dat na PE. Nespajat N a PE za chranicom v ziadnom pripade. Staci si pozriet katalog/tech.list molleru/EATON, tam je to pekne uvedene (spotrebic bez N, zapojenie hviezda). Ako pozeram ten dlhy privod, skor by som sa bal prerusenia N/PEN vodica, preto by som rozhodne v altanku bod rozdelenia (PE/N) urcite este prizemnil + nadprudova ochrana. Impedancia sluciek bude urcite hrat rolu, pretoze ratajte s tym, ze na zasuvku si ujo urcite este pripoji najmenej 20m predlzovacku (alebo 2).
Odpovedať
@anett9 Ospravedlňujem sa, napísal som to presne zle. Ano, N-ko nepripojíš a pobeží to. Ešte raz sorry. :-)
Odpovedať
@kriloter Ospravedlňujem sa, napísal som to presne zle. Prúdový chránič fungovať bude, len bez N-ka nepôjde tlačítko test. :-) @anett9 Ospravedlňujem sa, napísal som to presne zle. Prúdový chránič fungovať bude, len bez N-ka nepôjde tlačítko test. :-)
Odpovedať
@kriloter Ak je motor zapojený do trojuholníka, N-ko nemá význam. Ale čo ak je zapojený do hviezdy? :-)
Odpovedať
@gekaem_sro Ani do hviezdy sa nepripája N. Dávaj pozor na to čo píšeš. Zlá rada v elektrotechnike môže mať fatálne následky...
Odpovedať
Profilova fotka
@anett9 a dokonca to pise clovek co ma elektro firmu? a v logu napisane Elektriku pokojne nechajte na nás ...
Odpovedať
Profilova fotka
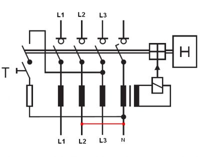
@gekaem_sro prepac, ale pises tu hluposti a zacinam pochybovat, ci mas vobec platnu vyhlasku :) Ak uz radis, tak aspon dobre, citaju to tu laici... Obrazok z katalogu EATON si zjavne nepochopil, nakolko tam ziadny N vodic zapojeny nie je a tlacitko test funguje. Ak neveris, zober si PF7 a zapoj, uvidis ze test fici. Preco by RCD test-tlacitko nefungovalo bez zapojenia N-vodica? Funguje, len sa musi prepojit na L1 alebo L2 (vid obrazok - cervenym) Vacsina chranicov umoznuje prevadzku s vodicom N na vstupe alebo aj bez neho (stacia fazy L1/L2/L3). Tlacitko potom funguje nasledovne: 1. je pritomny N vodic - potom unikajuci prud z L3 sa uzavrie do N a aktivuje vyputie. Odpor vybavovacieho tlacitka je pripojeny na 230V (L3-N) 2. nie je pritomny N vodic - potom sa musi urobit kablova prepojka na vystupe z RCB medzi N a L2 alebo L1 (nie L3!!!) z coho je jasne, ze cast prudu za sa odvedie za isticom cez tlacitko pred chranic a RCB reaguje vypnutim. Odpor odbavovacieho (testovacie) tlacitka je pripojeny na 400V (L1-L3 alebo L2-L3) Je jasne ze prepojka nemoze ist na L3 kde je zapojeny druhy koniec test tlacitka. A tiez je jasne, ze ak tam uz ta prepojka je, nesmie sa na vstup pripojit N vodic, pretoze dojde ku skratu L2-N Zaroven dodam, ze takto zapojeny RCB moze chranit len dany motor, nesmu sa k nemu uz pripajat ziadne dalsie obvody. Myslim ze uz sme odbocili od temy, ujo tam zjavne N vodic privedeny MA, takze eventuality bez N vobec netreba riesit...
Odpovedať
Fú, to sú problémy. Ja mám všade zásuvky 4kolik takže 3f+PE. Opýtam sa ešte takto neni to rovnaké ako keď dám 3f predlžovačku hore po zemi? Ako ked budem dávať kábel do zeme? Ja v dome nemám ani jeden prúdový chránič a je to v pohode a nikoho tu ešte nezabilo a vyrástli tu 3generacie, podotýkam že rozvody od 50r. min.storočia sa ešte nemenili okrem okrem silno zaťažených ako je rúra, bojler, práčka. Ja to chcem jednoducho a nie nejako zložito. Proste jeden koniec kábla napojím do rozvádzača garaži, zakopem a na druhom konci dám nejaký rozvádzač z mojej zbierky a tam dám ističe 1x6A na svetelný okruh a 1x16A na zásuvky + 3x16A na Cinkulár + jeden hlavný vypínač na všetky veci :) A nebude problém?
Odpovedať
@twister_301 Rozvody z 50r. min.st. sú TN-C čiže v zásuvke 4kolik nemáš 3f+PE ale 3f+PEN. Vtedy ešte prúdové chrániče neexistovali. Podla dnes platných noriem všetky nové rozvody sa musia robiť v sástave TN-S, čiže 5žilový kábel 3f+PE+N alebo 3žilový f+PE+N a na vonkajšie zariadenia musí byť aj RCD. A riskovať zdravie alebo životy členov rodiny pre pár drobných za RCD a 5žilový kábel je podla mna blbosť. Ale je to o tom aké má kto priority... Do budúcna, nepýtaj sa ako to máš urobiť, keď si už dopredu rozhodnutý že to urobíš ako ty chceš bez ohladu na normy...
Odpovedať
Profilova fotka
@twister_301 @anett9 - plne suhlasim, jeden RCD v cene 40e moze zachranit zivot, specialne ak ide o externu instalaciu (altanok, kosacka). Ak robis elektricku instalaciu, tak to rob ako sa ma v zmysle noriem, alebo sa na to vykasli.
Odpovedať
1
2
Na pridanie príspevku sa musíte prihlásiť.
Presunutím fotiek môžete zmeniť ich poradie

Nenašli ste čo ste hľadali?